Profil du membre Bob
Actuellement
24 765
questions dans le
forum chauffage
Membre inscrit Bob
a posté 2 589 messages sur les forums BricoVidéo :
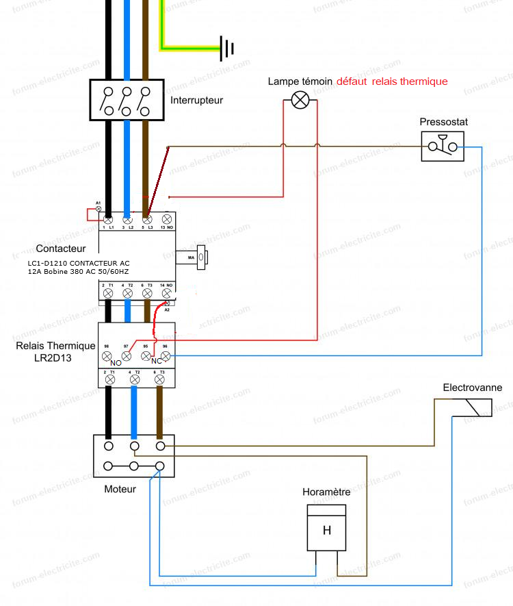
Bonjour.
Juste quelques précisions, la bobine est bien une 380 V, la lampe témoin défaut thermique fonctionne sous quelle tension ?
Car visiblement elle va être alimentée entre deux phases par l'intermédiaire du contact NO du relais thermique (soit 400 volts).
L'électrovanne sert à quoi ? Dépressuriser entre compresseur et clapet cuve ?
Ci-joint croquis en cours de modif.
@+
Pour agrandir l'image, cliquez dessus.

Juste quelques précisions, la bobine est bien une 380 V, la lampe témoin défaut thermique fonctionne sous quelle tension ?
Car visiblement elle va être alimentée entre deux phases par l'intermédiaire du contact NO du relais thermique (soit 400 volts).
L'électrovanne sert à quoi ? Dépressuriser entre compresseur et clapet cuve ?
Ci-joint croquis en cours de modif.
@+
Pour agrandir l'image, cliquez dessus.

26 octobre 2025 à 09:25
consulter ce sujet Conseils de branchement compresseur triphasé sur le forum ÉlectricitéBonjour.
Avec un peu de retard, vous pouvez mettre un embout de ce type.
https://www.leroymerlin.fr/produits/bouchon-etancheite-pour-tuyau-de-vidange-de-machine-a-laver-35-40-mm-graisse-desodorisant-bague-etancheite-2-pieces-97145848.html
Avec un peu de retard, vous pouvez mettre un embout de ce type.
https://www.leroymerlin.fr/produits/bouchon-etancheite-pour-tuyau-de-vidange-de-machine-a-laver-35-40-mm-graisse-desodorisant-bague-etancheite-2-pieces-97145848.html
24 octobre 2025 à 16:22
consulter ce sujet Fuite dans tuyau d'évacuation du lave-vaisselle sur le forum PlomberieBonjour.
Mettre les Pastilles de contact face à face.
@+
Pour agrandir l'image, cliquez dessus.

Mettre les Pastilles de contact face à face.
@+
Pour agrandir l'image, cliquez dessus.

23 octobre 2025 à 09:26
consulter ce sujet Comment repositionner les contacts en laiton d'un interrupteur ? sur le forum ÉlectricitéJ'ai eu le cas où c'était alimenter avec un disjoncteur de 2A et ça ne fonctionnait pas.
16 octobre 2025 à 17:39
consulter ce sujet Association Radio Driver 620 avec GP8 radio CPL Delta dore sur le forum ÉlectricitéBonjour.
Avez vous réussi à associer ?
Juste une suggestion concernant l''alim du GP8 radio CPL relvé sur la notice DELTA DORES en pièce jointe .
@+
Pour agrandir l'image, cliquez dessus.

Avez vous réussi à associer ?
Juste une suggestion concernant l''alim du GP8 radio CPL relvé sur la notice DELTA DORES en pièce jointe .
@+
Pour agrandir l'image, cliquez dessus.

16 octobre 2025 à 17:35
consulter ce sujet Association Radio Driver 620 avec GP8 radio CPL Delta dore sur le forum ÉlectricitéBonjour,gm35.
@+
Citation :Juste une petite précision, votre disjoncteur différentiel 30 mA / 20 A de type HPI de votre kit prise Green’Up, doit être pis en amont de votre inter différentiel Hager 30 mA / 63 A est de type AC.
Mon tableau ne possède pas de borniers N et L, donc je ne sais pas comment raccorder ce nouveau disjoncteur.
@+
16 octobre 2025 à 16:59
consulter ce sujet Installation prise Green’Up sur ancien coffret Hager sans borniers sur le forum ÉlectricitéBonjour Mathieu.
Sur le disjoncteur d'abonné seule les bornes aval reste accessibles, l'amont est plombé et interdit.
On ne sais comment est votre coffret Enedis et la place disponible ? mais il est peut-être possible de mettre derrière ou sous abri un coffret tableau 13 modules IP65 en rentrant tous les câbles par le dessous pour conserver un degré maximum de protection à la pluie.
Mettre deux bornes de raccordement pour y brancher le câble venant du disjoncteur d'abonné, installer trois disjoncteurs 1- 63A et 2 - 40A (utile pour couper un bâtiment sans affecter les 2 autres )
y raccorder chaque départ.
@+
Pour agrandir l'image, cliquez dessus.

Citation :
Il y a un texte (bornes serrées en usine avec un plomb juste en dessous).
Je ne vois pas trop comment mettre une boîte de dérivation juste en dessous…
Des idées de matériels pour faire cela ? Une référence de boîte ?
Sur le disjoncteur d'abonné seule les bornes aval reste accessibles, l'amont est plombé et interdit.
On ne sais comment est votre coffret Enedis et la place disponible ? mais il est peut-être possible de mettre derrière ou sous abri un coffret tableau 13 modules IP65 en rentrant tous les câbles par le dessous pour conserver un degré maximum de protection à la pluie.
Mettre deux bornes de raccordement pour y brancher le câble venant du disjoncteur d'abonné, installer trois disjoncteurs 1- 63A et 2 - 40A (utile pour couper un bâtiment sans affecter les 2 autres )
y raccorder chaque départ.
@+
Pour agrandir l'image, cliquez dessus.

14 octobre 2025 à 16:02
consulter ce sujet Boîtier de dérivation entre le Linky et tableau électrique sur le forum ÉlectricitéBonjour.
Vous voulez plutôt dire longueur ?quel fils avez vous utilisé, une photo nette de ce que vous avez fait avec les connexions visibles aiderait peut-être à comprendre.
@+
Citation :
Est-ce possible que cela soit du à la largeur des câbles utilisés pour monter jusqu'à la niche ?
Vous voulez plutôt dire longueur ?quel fils avez vous utilisé, une photo nette de ce que vous avez fait avec les connexions visibles aiderait peut-être à comprendre.
@+
14 octobre 2025 à 14:57
consulter ce sujet Problème d'alimentation dans niche de télé montée en parallèle sur le forum ÉlectricitéBonjour.
Utilisez des cordons, voir un exemple : Lot de 4 cordons de repiquage
Utilisez des cordons, voir un exemple : Lot de 4 cordons de repiquage
14 octobre 2025 à 11:10
consulter ce sujet Cordons de repiquage bornier TGBT disjoncteur pour 5G25 sur le forum ÉlectricitéBonjour.
Pour agrandir l'image, cliquez dessus.

Citation :Voir croquis.
Seriez vous en mesure de m'envoyer un schéma des branchements sur mes deux nouveaux interrupteurs double va et vient avec les couleurs ?
Pour agrandir l'image, cliquez dessus.

13 octobre 2025 à 14:23
consulter ce sujet Remplacer 4 interrupteurs simples par 2 interrupteurs double va-et-vient sur le forum ÉlectricitéBonjour,
Attention dans un collectif c'est à voir avec le Syndic qui doit faire intervenir l'entreprise pour les éventuelles pannes.
@+
Citation :Les vis semblent pouvoir se dévisser avec des embouts Torx percés.
personne n'a l'outil spécifique a cette platine dans l'immeuble, moi non plus)
Attention dans un collectif c'est à voir avec le Syndic qui doit faire intervenir l'entreprise pour les éventuelles pannes.
@+
11 octobre 2025 à 10:41
consulter ce sujet Panne interphone Cofrel identification du modèle et conseils ? sur le forum ÉlectricitéBonjour,
Nous pouvons observer sur la photo le 04920 la borne des poussoirs est sur L (phase) et donc non compatible avec votre installation qui a les poussoirs reliés sur Neutre.
@+
Nous pouvons observer sur la photo le 04920 la borne des poussoirs est sur L (phase) et donc non compatible avec votre installation qui a les poussoirs reliés sur Neutre.
@+
11 octobre 2025 à 10:25
consulter ce sujet Remplacement d'un télérupteur 49107 par un 049120 sur le forum ÉlectricitéBonjour.
Votre télérupteur 49107 est en branchement trois fils, avec le neutre aux poussoirs, la photo du leg 49120 ne permet pas de voir si ce modèle est compatible avec le neutre aux poussoirs.
Voir doc ci-joint. De plus il faudra retrouver le fil neutre de ce circuit éclairage pour alimenter la borne N du télérupteur
mettre la phase (rouge ) sur la borne L
Le fil violet de la lampe chez vous sur la borne (cercle avec croix symbole lampe) et le retour des poussoirs fil noir chez vous sur la borne poussoir.
@+
Pour agrandir l'image, cliquez dessus.

Votre télérupteur 49107 est en branchement trois fils, avec le neutre aux poussoirs, la photo du leg 49120 ne permet pas de voir si ce modèle est compatible avec le neutre aux poussoirs.
Voir doc ci-joint. De plus il faudra retrouver le fil neutre de ce circuit éclairage pour alimenter la borne N du télérupteur
mettre la phase (rouge ) sur la borne L
Le fil violet de la lampe chez vous sur la borne (cercle avec croix symbole lampe) et le retour des poussoirs fil noir chez vous sur la borne poussoir.
@+
Pour agrandir l'image, cliquez dessus.

10 octobre 2025 à 16:16
consulter ce sujet Remplacement d'un télérupteur 49107 par un 049120 sur le forum ÉlectricitéBonjour,
Tel que cela se présente pour rester dans la teinte grise du ciment, vous n'avez pas le choix utiliser du ciment et sable.
Vous coupez le courant de ce circuit, déposez la prise pour refixer le boiter attendre 1 jour que tout sèche bien et remonter les prises.
@+
Exemple de mortier : https://www.leroymerlin.fr/produits/ma552-maltpol-mortier-en-poudre-gris-pret-a-emploi-a-base-de-ciment-eco-service-86166424.html
Tel que cela se présente pour rester dans la teinte grise du ciment, vous n'avez pas le choix utiliser du ciment et sable.
Vous coupez le courant de ce circuit, déposez la prise pour refixer le boiter attendre 1 jour que tout sèche bien et remonter les prises.
@+
Exemple de mortier : https://www.leroymerlin.fr/produits/ma552-maltpol-mortier-en-poudre-gris-pret-a-emploi-a-base-de-ciment-eco-service-86166424.html
25 septembre 2025 à 15:52
consulter ce sujet Refixer prise descellée du mur sur le forum ÉlectricitéBonjour.
Juste une observation malgré la qualité médiocre des photos.
Je ne sais pas à quoi sert le câble entouré (voir capture), mais il faudrait le re-dénuder plus si possible et refaire ces connexions sur le bornier vert.
@+
Pour agrandir l'image, cliquez dessus.

Juste une observation malgré la qualité médiocre des photos.
Je ne sais pas à quoi sert le câble entouré (voir capture), mais il faudrait le re-dénuder plus si possible et refaire ces connexions sur le bornier vert.
@+
Pour agrandir l'image, cliquez dessus.

25 septembre 2025 à 11:42
consulter ce sujet Portail électrique qui s'ouvre et ferme tout seul sur le forum ÉlectricitéBonjour.
Êtes-vous sûr que c'est ce relais qui "ronronne" ? ne serait-ce pas le relais 20A juste à côté qui bourdonne ?
Le Hager EN 175 est bien l'équivalent pour remplacer le E175.
@+
Citation :C'est une tension de 24 volts entre les bornes 5 et 6 qui vient de la sécurité de la ventilation collective qui coupe la chaudière gaz en cas de panne de ventilation dans l'appartement.
le retour de marche de la VMC (2 fils) arrive sous "quelle forme"?
Une tension, alternative, continu, un contact sec...?
Êtes-vous sûr que c'est ce relais qui "ronronne" ? ne serait-ce pas le relais 20A juste à côté qui bourdonne ?
Le Hager EN 175 est bien l'équivalent pour remplacer le E175.
@+
12 septembre 2025 à 10:24
consulter ce sujet Remplacer Hager E175 branchement chaudière sur le forum ÉlectricitéBonjour.
Donc on va dire que l'alim est la gaine A et l'inter serait la gaine B mais cela ne change rien au niveau du raccordement.
Avez-vous refait le raccordement comme sur le croquis ?
Les deux rouge dans un bloc de jonction , les bleus un sur chaque plots du luminaire , quant au jaune-vert la terre elle est à raccorder sur le châssis de l'appareil que si il est de classe 1.
Avez-vous vérifié au niveau de l'inter ?
Pour agrandir l'image, cliquez dessus.

Donc on va dire que l'alim est la gaine A et l'inter serait la gaine B mais cela ne change rien au niveau du raccordement.
Avez-vous refait le raccordement comme sur le croquis ?
Les deux rouge dans un bloc de jonction , les bleus un sur chaque plots du luminaire , quant au jaune-vert la terre elle est à raccorder sur le châssis de l'appareil que si il est de classe 1.
Avez-vous vérifié au niveau de l'inter ?
Pour agrandir l'image, cliquez dessus.

29 août 2025 à 11:25
consulter ce sujet Câblage plafonnier et VMC salle de bains sur le forum ÉlectricitéBonjour Alain.
Ce ne serai pas un phénomène d'électricité statique comme celui que l'on peut ressentir parfois lorsqu'on descend de voiture ?
Citation :
c'est environ 15 minutes plus tard que j'ai pris le courant en touchant de nouveau, alors que le disjoncteur thermique était bien sur OFF.
Ce ne serai pas un phénomène d'électricité statique comme celui que l'on peut ressentir parfois lorsqu'on descend de voiture ?

29 août 2025 à 10:59
consulter ce sujet Coupure courant disjoncteur divisionnaire sur le forum ÉlectricitéBonjour.
Les disjoncteurs utilisés sont-ils omnipolaires ?
les appairages des circuits sont-ils bien fait ? .
Difficile à comprendre si le disjoncteur du circuit en question coupe bien les deux conducteurs .
il ne faut pas faire confiance , dans le doute on coupe au général et avant d'intervenir sur un circuit on fait une VAT .
Une simple lampe témoin suffit lorsqu'on n'a pas l'appareil.
@+
Les disjoncteurs utilisés sont-ils omnipolaires ?
les appairages des circuits sont-ils bien fait ? .
Citation :
je ne comprends pas c'est pourquoi cela s'est mis en charge tout seul,
Difficile à comprendre si le disjoncteur du circuit en question coupe bien les deux conducteurs .
il ne faut pas faire confiance , dans le doute on coupe au général et avant d'intervenir sur un circuit on fait une VAT .
Une simple lampe témoin suffit lorsqu'on n'a pas l'appareil.
@+
28 août 2025 à 14:45
consulter ce sujet Coupure courant disjoncteur divisionnaire sur le forum ÉlectricitéBonjour.
Comment est alimentée cette VMC ?
Vous ne parlez pas de l'inter je suppose qu'il y en a un ? à vérifier , avec probablement un fil rouge et un bleu*
(*normativement il devrait être d'une autre couleur sauf bleu et jaune vert)
J'ai préparé un petit croquis de la façon dont je pense que c'est réalisé chez vous.
Pour agrandir l'image, cliquez dessus.

Citation :
Il y a une petite VMC au dessus du bac de douche.
Comment est alimentée cette VMC ?
Vous ne parlez pas de l'inter je suppose qu'il y en a un ? à vérifier , avec probablement un fil rouge et un bleu*
(*normativement il devrait être d'une autre couleur sauf bleu et jaune vert)
J'ai préparé un petit croquis de la façon dont je pense que c'est réalisé chez vous.
Pour agrandir l'image, cliquez dessus.

27 août 2025 à 15:39
consulter ce sujet Câblage plafonnier et VMC salle de bains sur le forum ÉlectricitéBonjour.
Juste une remarque, je suppose que la fiche mâle est équipée d'un broche de terre, dans ce cas il serait bon de mettre un câble à trois conducteurs dont un est le vert-jaune avec à l'extrémité une fiche femelle 2 pôles + terre pour assurer la continuité de la liaison équipotentielle sur un luminaire de classe 1 qui y serait branché.
@+
Juste une remarque, je suppose que la fiche mâle est équipée d'un broche de terre, dans ce cas il serait bon de mettre un câble à trois conducteurs dont un est le vert-jaune avec à l'extrémité une fiche femelle 2 pôles + terre pour assurer la continuité de la liaison équipotentielle sur un luminaire de classe 1 qui y serait branché.
@+
22 août 2025 à 12:11
consulter ce sujet Brancher variateur sur prise électrique sur le forum ÉlectricitéBonjour.
En regardant sur le net on peut lire ceci Le FULL24 est une motorisation connectée que vous pouvez piloter depuis un smartphone en bluetooth.
Il faudrait avoir la doc complète des deux produits utilisés pour pouvoir y répondre ??
@+
En regardant sur le net on peut lire ceci Le FULL24 est une motorisation connectée que vous pouvez piloter depuis un smartphone en bluetooth.
Il faudrait avoir la doc complète des deux produits utilisés pour pouvoir y répondre ??
@+
21 août 2025 à 18:45
consulter ce sujet Commande wifi sur moteur full 24 sur le forum ÉlectricitéBonjour.
Une photo aurait permis de voir ?
Vous mettez le neutre du volet (bleu) avec le neutre de l'inter et le brun et noir sur les bornes monté descente de cet inter.
@+
Une photo aurait permis de voir ?
Vous mettez le neutre du volet (bleu) avec le neutre de l'inter et le brun et noir sur les bornes monté descente de cet inter.
@+
20 août 2025 à 12:09
consulter ce sujet Raccordement interrupteur volet roulant DIO sur le forum ÉlectricitéBonjour.
Peut être se renseigner ici raccords PVC pression pour plomberie
@+
https://www.plomberie-pro.com/plomberie/raccord-pvc/pression
Peut être se renseigner ici raccords PVC pression pour plomberie
@+
https://www.plomberie-pro.com/plomberie/raccord-pvc/pression
19 août 2025 à 17:10
consulter ce sujet Recherche manchon PVC C 14 sur le forum PlomberieBonjour.
Ce croisillon est emboité sur des petites cannelures (voir photo) et se retire en le tirant vers le haut, on peut s'aider en faisant levier à l'aide d'un tournevis plat entre le rosace et ce croisillon, la rosace doit se retirer en la dévissant, ensuite il faudra changer les têtes ce qui ne sera pas évidant à faire à trouver, le mieux serait de remplacer l'ensemble exemple voir lien.
@+
https://www.cdiscount.com/bricolage/sanitaire-salle-de-bain/robinet-de-lavabo-a-trois-trous-avec-deux-poignees/f-166100103-wov1697706872061.html

Ce croisillon est emboité sur des petites cannelures (voir photo) et se retire en le tirant vers le haut, on peut s'aider en faisant levier à l'aide d'un tournevis plat entre le rosace et ce croisillon, la rosace doit se retirer en la dévissant, ensuite il faudra changer les têtes ce qui ne sera pas évidant à faire à trouver, le mieux serait de remplacer l'ensemble exemple voir lien.
@+
https://www.cdiscount.com/bricolage/sanitaire-salle-de-bain/robinet-de-lavabo-a-trois-trous-avec-deux-poignees/f-166100103-wov1697706872061.html

19 août 2025 à 16:48
consulter ce sujet Comment démonter poignée de vieux robinet Jacob Delafon sur le forum PlomberieBonjour.
Votre manchon souple est trop contraint, il faudrait qu'il soit droit.
Si vous pouvez couper le cuivre au niveau de l'emboiture du coude en conservant un petit bourrelet pour éviter qu'il ne se déboite une fois le collier serré.
Ensuite finir la jonction en PVC jusqu'au siphon.
@+
Pour agrandir l'image, cliquez dessus.

Votre manchon souple est trop contraint, il faudrait qu'il soit droit.
Si vous pouvez couper le cuivre au niveau de l'emboiture du coude en conservant un petit bourrelet pour éviter qu'il ne se déboite une fois le collier serré.
Ensuite finir la jonction en PVC jusqu'au siphon.
@+
Pour agrandir l'image, cliquez dessus.

19 août 2025 à 16:16
consulter ce sujet Raccord évacuation cuivre PVC sur le forum PlomberieBonjour.
Il est toujours important de faire une photo avant déconnexion, nous avons tous un appareil maintenant avec le téléphone portable.
D'après les couleurs sauf le bleu, faire un essai le bleu sur borne repéré L et les noirs un sur les bornes 1 et 2.
@+
Pour agrandir l'image, cliquez dessus.

Il est toujours important de faire une photo avant déconnexion, nous avons tous un appareil maintenant avec le téléphone portable.
D'après les couleurs sauf le bleu, faire un essai le bleu sur borne repéré L et les noirs un sur les bornes 1 et 2.
@+
Pour agrandir l'image, cliquez dessus.

12 août 2025 à 09:44
consulter ce sujet Branchement interrupteur Legrand Neptune sur le forum ÉlectricitéBonjour.
Je ne sais pas, on pourrait supposer que oui.
@+
Attendre d'autres avis.
Citation :
Est-ce que la clim est comptée dans la norme15/100 comme un chauffage pour le calibrage du différentiel ?
Je ne sais pas, on pourrait supposer que oui.
@+
Attendre d'autres avis.
08 août 2025 à 10:38
consulter ce sujet Calibrer interrupteur différentiel pour un climatiseur sur le forum ÉlectricitéBonjour,
Un inter différentiel ne déclenche que sur un défaut d'isolement, pas sur un court-circuit ni une surintensité donc son I maxi doit être supérieur ou au moins égal au disjoncteur en amont pour ne pas se détériorer en cas de surcharge.
@+
Un inter différentiel ne déclenche que sur un défaut d'isolement, pas sur un court-circuit ni une surintensité donc son I maxi doit être supérieur ou au moins égal au disjoncteur en amont pour ne pas se détériorer en cas de surcharge.
@+
07 août 2025 à 19:14
consulter ce sujet Calibrer interrupteur différentiel pour un climatiseur sur le forum ÉlectricitéBonjour.
Une photo de cette douille aurait levé le doute.
La douille qu'il y avait devait être une DCL.
Si c'est le cas il faudrait la remettre en place courant coupé bien sûr
et utiliser une fiche DCL pour y installer le luminaire.
Une photo de cette douille aurait levé le doute.
La douille qu'il y avait devait être une DCL.
Si c'est le cas il faudrait la remettre en place courant coupé bien sûr
et utiliser une fiche DCL pour y installer le luminaire.01 août 2025 à 10:44
consulter ce sujet Comment brancher un luminaire avec prise de terre ? sur le forum ÉlectricitéBonjour.
Si le fil violet et le fil gris étaient dans la même borne à l'origine sur le télérupteur Hager on peut supposer que le gris est aussi un retour de poussoir .il serait bon de savoir où va ce fil gris ?
Faire un essai comme sur le croquis.
Mais je reste dans le doute avec ce rouge avec les bleus dans ce Wago ? (en photo réponse 7)
Sur les photos je constate que le neutre chez vous est bleu et pas gris.
Maintenant vous devez comprendre comment fonctionne un télérupteur, l'inter interne est entre la borne 1 et 2 et cet inter change d'état lorsque l'on applique une tension brève de 230 volts aux bornes de la bobine A1 et A2.
Donc si A1 est connecté à la phase il faut envoyer le Neutre par l'intermédiaire d'un des poussoirs sur A2 ou alors si A1 est connecté au Neutre il faut envoyer la Phase par l'intermédiaire d'un des poussoirs sur A2.
si vous n'y arrivez pas faites vous aider par une personne ayant des connaissances en électricité.
@+
Si le fil violet et le fil gris étaient dans la même borne à l'origine sur le télérupteur Hager on peut supposer que le gris est aussi un retour de poussoir .il serait bon de savoir où va ce fil gris ?
Faire un essai comme sur le croquis.
Mais je reste dans le doute avec ce rouge avec les bleus dans ce Wago ? (en photo réponse 7)
Sur les photos je constate que le neutre chez vous est bleu et pas gris.
Maintenant vous devez comprendre comment fonctionne un télérupteur, l'inter interne est entre la borne 1 et 2 et cet inter change d'état lorsque l'on applique une tension brève de 230 volts aux bornes de la bobine A1 et A2.
Donc si A1 est connecté à la phase il faut envoyer le Neutre par l'intermédiaire d'un des poussoirs sur A2 ou alors si A1 est connecté au Neutre il faut envoyer la Phase par l'intermédiaire d'un des poussoirs sur A2.
si vous n'y arrivez pas faites vous aider par une personne ayant des connaissances en électricité.
@+
31 juillet 2025 à 11:05
consulter ce sujet Changement télérupteur Hager N179 sur le forum ÉlectricitéBonjour.
Le volume 0 c'est à 60cm du bord de la baignoire jusqu'à 2,25m de hauteur, vous pouvez mettre une prise à proximité du lavabo avec un peu de bon sens pour quelle ne soit pas juste au dessus du bac.
Pour agrandir l'image, cliquez dessus.

Le volume 0 c'est à 60cm du bord de la baignoire jusqu'à 2,25m de hauteur, vous pouvez mettre une prise à proximité du lavabo avec un peu de bon sens pour quelle ne soit pas juste au dessus du bac.
Pour agrandir l'image, cliquez dessus.

30 juillet 2025 à 19:31
consulter ce sujet Peut-on rester en 230v à moins de 60cm d'un lavabo sur le forum ÉlectricitéBonjour.
Ci-joint schéma du télérupteur avec les deux façons de raccordement 3 fils et 4 fils.
Pour agrandir l'image, cliquez dessus.

Citation :Je suis surpris car si les couleurs sont respectées le rouge serait la Phase et violet retour de poussoir qui va sur A2, je ne vois pas dans ce cas comment la bobine peut être excitée étant donnée qu'un autre rouge (phase) est sur A1, c'est pour cela que je posais la question.
Les couleurs des fils des boutons poussoirs sont 1 fil rouge et 1 fil violet.
Ci-joint schéma du télérupteur avec les deux façons de raccordement 3 fils et 4 fils.
Pour agrandir l'image, cliquez dessus.

30 juillet 2025 à 09:38
consulter ce sujet Changement télérupteur Hager N179 sur le forum ÉlectricitéJe reviens car je viens de découvrir sur la photo un fil rouge semble être dans un wago avec des bleus, si ce fil rouge est celui qui est sur la borne A1 cela change tout.
Votre télérupteur ne serait pas en branchement 3 fils avec neutre aux poussoirs ,mais en branchement 4 fils avec phase aux poussoirs.
Pouvez-vous vérifier sur les boutons poussoirs quelles sont les couleurs des fils ?
@+
Pour agrandir l'image, cliquez dessus.

Votre télérupteur ne serait pas en branchement 3 fils avec neutre aux poussoirs ,mais en branchement 4 fils avec phase aux poussoirs.
Pouvez-vous vérifier sur les boutons poussoirs quelles sont les couleurs des fils ?
@+
Pour agrandir l'image, cliquez dessus.

29 juillet 2025 à 18:57
consulter ce sujet Changement télérupteur Hager N179 sur le forum ÉlectricitéOups !!
Avec des disjoncteurs c'est 20 A maxi pour le 2.5mm² et 10 A maxi pour le 1.5mm². Il faut lire 16 A.
Avec des disjoncteurs c'est 20 A maxi pour le 2.5mm² et 10 A maxi pour le 1.5mm². Il faut lire 16 A.
29 juillet 2025 à 13:05
consulter ce sujet Moderniser ancienne installation électrique sur le forum ÉlectricitéBonjour.
Sur de l'existant les fusibles sont encore admis, 16A maxi pour le 2.5mm², et 10A maxi pour le 1.5mm² avec des disjoncteurs c'est 20 A maxi pour le 2.5mm² et 10 A maxi pour le 1.5mm².
Depuis le 1er janvier 2018, les tableaux électriques équipés de fusibles à cartouche sont formellement interdits dans les nouvelles installations électriques résidentielles en France.
Cette décision résulte de l’application de la norme NF C 15-100, qui encadre strictement les installations électriques dans l’Hexagone.
Cordialement.
Sur de l'existant les fusibles sont encore admis, 16A maxi pour le 2.5mm², et 10A maxi pour le 1.5mm² avec des disjoncteurs c'est 20 A maxi pour le 2.5mm² et 10 A maxi pour le 1.5mm².
Depuis le 1er janvier 2018, les tableaux électriques équipés de fusibles à cartouche sont formellement interdits dans les nouvelles installations électriques résidentielles en France.
Cette décision résulte de l’application de la norme NF C 15-100, qui encadre strictement les installations électriques dans l’Hexagone.
Cordialement.
29 juillet 2025 à 10:07
consulter ce sujet Moderniser ancienne installation électrique sur le forum ÉlectricitéBonjour.
Désolé je n'avais pas vu le fil gris, donc il est bien à mettre aussi avec le violet sur la borne A2.
Pour agrandir les images, cliquez dessus.


Désolé je n'avais pas vu le fil gris, donc il est bien à mettre aussi avec le violet sur la borne A2.
Pour agrandir les images, cliquez dessus.


29 juillet 2025 à 09:44
consulter ce sujet Changement télérupteur Hager N179 sur le forum ÉlectricitéCitation :??
J'ajoute une précision : les 10m, c'est entre le compteur et le premier fusible de 20A...
chaque ligne est à protéger depuis son origine en fonction de sa section .
Juste une observation sur le nouveau tableau
Personnellement je mettrais 1 inter sectionneur 63A en tête de tableau pour couper l'ensemble et seulement quatre ou cinq inters dif de type A * 63 A ( les trois alim 20 A des CE peuvent êtres sous un seul différentiel ou dispatchés sous les différents Inters dif du tableau .
* L’interrupteur différentiel de type A est conçu pour protéger les circuits associés à des appareils créant des courants continus, notamment les plaques de cuisson, le lave-linge et la prise de recharge d’un véhicule électrique.
attendre d'autres avis.
28 juillet 2025 à 20:47
consulter ce sujet Moderniser ancienne installation électrique sur le forum ÉlectricitéBonjour.
Je pensais qu'il n'y avait que 5 m de ligne d'après votre message
Avec du 16mm² selon l'abonnement et la longueur de ligne on est encore trop juste pour 50 mètres, voir tableau suivant
Pour agrandir l'image, cliquez dessus.

Je pensais qu'il n'y avait que 5 m de ligne d'après votre message
Citation :
En gros cette seule ligne ressemble à ça :
Compteur --> Tableau fusibles porcelaine 20A --> 5m de 2,5mm²
Avec du 16mm² selon l'abonnement et la longueur de ligne on est encore trop juste pour 50 mètres, voir tableau suivant
Pour agrandir l'image, cliquez dessus.

28 juillet 2025 à 13:59
consulter ce sujet Moderniser ancienne installation électrique sur le forum ÉlectricitéBonjour.
Le télérupteur 49120 que vous avez mis en photo est bien un modèle qui se câble seulement avec la phase (repère L) aux poussoirs.
@+
Pour agrandir l'image, cliquez dessus.

Citation :Ces fils blancs sont des fils de Neutre , dont les trois qui vont sur les poussoirs modifiés en retour de poussoir pour les trois câbles et qui sont des Neutres sur le câble alim et câble vers la lampe.
à quoi servent les fils blancs qui sont reliés seulement à des dominos ?
Citation :Donc vous re câblez comme le croquis ci-joint.
Je viens de vérifier, après démontage des poussoirs, il n'y a pas l'air d'avoir de repiquage
Le télérupteur 49120 que vous avez mis en photo est bien un modèle qui se câble seulement avec la phase (repère L) aux poussoirs.
@+
Pour agrandir l'image, cliquez dessus.

28 juillet 2025 à 13:31
consulter ce sujet Remplacement télérupteur Mang 41157 sur le forum ÉlectricitéDésolé je ne connais pas ce produit.
Il faudra chercher mais le fait d'avoir provoqué un court-circuit et si vous avez de la tension en sortie du disjoncteur il est possible qu'il y ai une autre protection type mini fusible ou autre qui n'a pas supporté.
Faire appel au pro qui fait la maintenance d'entretien chaudière.
@+
Il faudra chercher mais le fait d'avoir provoqué un court-circuit et si vous avez de la tension en sortie du disjoncteur il est possible qu'il y ai une autre protection type mini fusible ou autre qui n'a pas supporté.
Faire appel au pro qui fait la maintenance d'entretien chaudière.
@+
27 juillet 2025 à 21:19
consulter ce sujet Court-circuit thermostat plancher chauffant filaire sur le forum ÉlectricitéCitation :Moi je vois un fil marron qui est le retour lampe, un fil violet retour poussoir, deux fils rouges Phase qui doivent êtres connectés ensemble dans le Wago entouré en blanc sur votre dernière photo.
Si j'ai bien compris d'après votre croquis, le fil neutre (gris) actuel (Hager N179) n'a plus lieu d'être avec le nouveau télérupteur ?
Si c'est le cas vous en mettez un sur la borne 1 et l'autre sur la borne A1.
Le violet sur la borne A2 , et le marron sur la borne 2.
@+
27 juillet 2025 à 21:11
consulter ce sujet Changement télérupteur Hager N179 sur le forum ÉlectricitéBonjour.
On ne sait pas si il y a un différentiel ?
Visiblement votre moteur de pompe a une intensité de 3.5A et est protégé avec un disjoncteur multi 3 pôles dont vous n'avez pas dit son calibre ni la courbe.
Sachant qu'un moteur lors de son démarrage peut absorber 6 à 8 fois son Intensité qui est pour le votre de 3,5A
il faudrait un disjoncteur de protection de 10A avec une courbe de type D.
@+
On ne sait pas si il y a un différentiel ?
Visiblement votre moteur de pompe a une intensité de 3.5A et est protégé avec un disjoncteur multi 3 pôles dont vous n'avez pas dit son calibre ni la courbe.
Sachant qu'un moteur lors de son démarrage peut absorber 6 à 8 fois son Intensité qui est pour le votre de 3,5A
il faudrait un disjoncteur de protection de 10A avec une courbe de type D.
@+
27 juillet 2025 à 17:04
consulter ce sujet Problème boîtier de commande DSN51 12T sur le forum ÉlectricitéBonjour,
Rien n'est perdu, vous avez la chance d'avoir le Neutre et la Phase de chaque circuit.
1.5mm² disjoncteur 10 à16A maxi (pour les circuits où il y a mélange prises en 2.5² et lumières 1.5² protéger avec disjoncteur de 16A maxi)
2.5mm² disjoncteur 16 à 20A maxi
6mm² disjoncteur 32A maxi
Vous pouvez vous inspirer des schémas de notre ami @Carminas présent sur ce forum dont voici un exemple en pièce jointe.
Pour agrandir l'image, cliquez dessus.

Rien n'est perdu, vous avez la chance d'avoir le Neutre et la Phase de chaque circuit.
Citation :Pour être dans les" clous" cette ligne je passerai du 16mm² depuis le disjoncteur d'abonné
En gros cette seule ligne ressemble à ça :
Compteur --> Tableau fusibles porcelaine 20A --> 5m de 2,5mm² --> Porte fusible à vis 20A (couvre tous les portes-fusibles à vis ci-après)
--> Porte fusible 16A --> vers une pièce
--> Porte fusible 10A --> vers une pièce
--> Porte fusible 10A --> vers 3 pièces
--> Porte fusible 10A --> vers 3 pièces
--> Porte fusible 18A --> vers la grange et l'éclairage extérieur.
Bon on est parfaitement d'accord, cette ligne, c'est totalement n'importe quoi ! :sweat :
D'où le fait que je prévois de lui faire son propre tableau en retirant par l'extérieur de la maison un câble en 10mm² depuis le compteur.
Citation :Non ce qu'il faut c'est faire une mise en sécurité avec la pose de protection différentielle 30mA pour la protection des personnes et de disjoncteur au calibre pour la protection des surintensités en fonction des sections des conducteurs
Tous ceux qui ont voulu refaire un tableau avec des disjoncteurs divisionnaires et des différentiels à partir d'une installation des années 60/70, ils n'ont quand même pas été obligés de tout casser chez eux quand même ? Si ? sweat
1.5mm² disjoncteur 10 à16A maxi (pour les circuits où il y a mélange prises en 2.5² et lumières 1.5² protéger avec disjoncteur de 16A maxi)
2.5mm² disjoncteur 16 à 20A maxi
6mm² disjoncteur 32A maxi
Vous pouvez vous inspirer des schémas de notre ami @Carminas présent sur ce forum dont voici un exemple en pièce jointe.
Pour agrandir l'image, cliquez dessus.

27 juillet 2025 à 15:20
consulter ce sujet Moderniser ancienne installation électrique sur le forum ÉlectricitéBonjour Martien,
Bonne question, je n'avais pas pensé à cela.
Bonne question, je n'avais pas pensé à cela.

27 juillet 2025 à 14:11
consulter ce sujet Installer un piquet de terre sur le forum ÉlectricitéBonjour.
Au minimum du 2.5mm² si c'est le seul sur ces deux fils, autrement du 16mm² pour être sûr.
Cordons de repiquage
@+
Au minimum du 2.5mm² si c'est le seul sur ces deux fils, autrement du 16mm² pour être sûr.
Cordons de repiquage
@+
27 juillet 2025 à 11:19
consulter ce sujet Section de fil disjoncteur vers différentiel sur le forum ÉlectricitéBonjour,
Vous êtes sur un branchement dit "trois fils avec neutre aux poussoirs" et votre télérupteur Legrand 49120 est un modèle qui fonctionne uniquement avec la phase aux poussoirs.
Je ne sais pas comment est votre installation, mais si l'on est sûr qu'il n'y a pas de repiquage sur les câbles qui vont aux poussoirs, on pourrait modifier le branchement des trois câbles et ainsi brancher ce télérupteur.
J'attends votre retour après vérification de votre part. Ensuite, je vous ferai un schéma.
Cordialement.
Pour agrandir l'image, cliquez dessus.

Pour agrandir l'image, cliquez dessus.

Vous êtes sur un branchement dit "trois fils avec neutre aux poussoirs" et votre télérupteur Legrand 49120 est un modèle qui fonctionne uniquement avec la phase aux poussoirs.
Je ne sais pas comment est votre installation, mais si l'on est sûr qu'il n'y a pas de repiquage sur les câbles qui vont aux poussoirs, on pourrait modifier le branchement des trois câbles et ainsi brancher ce télérupteur.
J'attends votre retour après vérification de votre part. Ensuite, je vous ferai un schéma.
Cordialement.
Pour agrandir l'image, cliquez dessus.

Pour agrandir l'image, cliquez dessus.

27 juillet 2025 à 11:11
consulter ce sujet Remplacement télérupteur Mang 41157 sur le forum ÉlectricitéBonjour,
Votre télérupteur est en branchement dit trois fils (avec Neutre aux poussoirs) donc il faut alimenter une borne de la bobine avec la phase puisque les poussoirs envoient un neutre (fil violet chez vous).
Voir croquis ci-joint.
@+
Pour agrandir l'image, cliquez dessus.

Votre télérupteur est en branchement dit trois fils (avec Neutre aux poussoirs) donc il faut alimenter une borne de la bobine avec la phase puisque les poussoirs envoient un neutre (fil violet chez vous).
Voir croquis ci-joint.
@+
Pour agrandir l'image, cliquez dessus.

27 juillet 2025 à 10:41
consulter ce sujet Changement télérupteur Hager N179 sur le forum ÉlectricitéBonjour.
Vous devez savoir si il y a un piquet de terre ou pas ? en principe entre Neutre et Terre vous devez êtres proche de 0 volts, entre Terre et Phase 230 volts.
Visiblement votre prise de terre n'est pas bonne.
Voir pour créer une terre Installer un piquet de terre
Vous devez savoir si il y a un piquet de terre ou pas ? en principe entre Neutre et Terre vous devez êtres proche de 0 volts, entre Terre et Phase 230 volts.
Visiblement votre prise de terre n'est pas bonne.
Voir pour créer une terre Installer un piquet de terre
27 juillet 2025 à 10:28
consulter ce sujet Installer un piquet de terre sur le forum Électricité







